KWZK-KZ/BH系列控制与保护开关简介
2022-08-31 玩球通(中国)电气
电气操作中应注意的哪些问题?
2022-08-25 玩球通(中国)电气
继电保护也会犯浅显错误
2022-08-23 玩球通(中国)电气
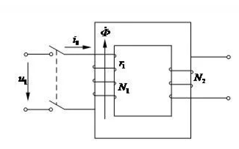
电压互感器与电流互感器的区别介绍
2022-08-22 玩球通(中国)电气
无线测温系统在某项目的应用
2022-08-05 玩球通(中国)
变压器励磁电流大小是否可以控制
2022-07-26 玩球通(中国)电气
开关柜内KW-CW200系列无线测温的偏差知识
2022-06-14 玩球通(中国)电气
7月下旬到8月上旬正值夏季雷暴多发季节,在近年的雷电灾害中,80%以上是内部设备包括电器、监控系统、探头等遭到损坏,一些高科技的电子设备,抗干扰的能力很弱,最爱在雷雨天“受伤”,如有的住宅小区的监控探头、对讲系统等设施根本没有防雷装置,感应雷很容易乘虚而入,击毁系统。事实上,这些高科技的电子系统必须要有特殊防护,如安装电磁屏蔽装置和防止雷电电磁脉冲及内部操作过电压对电子设备造成损坏的过电压保护装置等。
2022-04-26 玩球通(中国)集团