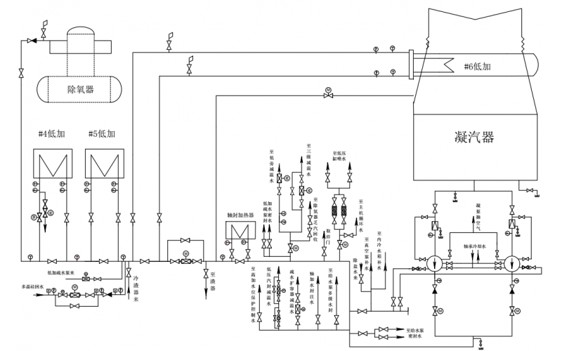
凝汽器灌水查漏操作要点有哪些? 1.机组停运,高压缸调节级温度低于100℃。 2.凝汽器底部加装临时支撑和临时水位计,水位计上口不允许封口。 3.开启机组各段抽汽疏水门。 4.关闭主再热蒸汽冷段热段、高旁前后,导汽管、调节级、汽缸夹层疏水电动门,和低旁减温水电动门。 5.关闭A、B凝结水泵进口手动门,抽空气手动门,关闭凝结水再循环调整门。 6.关闭A、B真空泵入口手动门,气动门。
2024-08-16 玩球通(中国)
1.接值长令:A凝结水泵切换至B凝结水泵; 2.检查B凝结水泵具备启动条件,密封水、轴承冷却水进出水门全开,凝结水泵抽空气门开启3圈; 3 查询B凝结水泵上一周期运行情况:运行电流 电机轴承温度 4.关闭B凝结水泵出口电动门,退出B凝结水泵联锁;
2024-08-16 玩球通(中国)
一年一度的迎峰度夏马上来临,用电量不断刷新,电力行业都在积极备战,天气变化无常,暴风雨也会不期而至,尤其梅雨季节,由于防护不当,经常发现浆液循环泵排空门DCS反馈信号为白色,导致浆液循环泵不能及时启动,严重时影响排口数据,如何处理呢?
2024-07-01 玩球通(中国)