新闻动态
KWZKWQT.COM玩球通
网站首页
玩球通(中国)
公司简介
在线反馈
联系我们
产品展示
全部
传感器/变送器
流量计系列
液位/料位系列
阀门/执行装置
液压/气动元件
检维修工器具
化验/分析仪器
其他机电仪产品
新闻动态
全部
行业知识
企业新闻
资料下载
客户案例
新闻动态
推荐
热门
最新
控制阀如何选型?如何维护?
控制阀如何选型?如何维护?
2023-09-18
玩球通(中国)
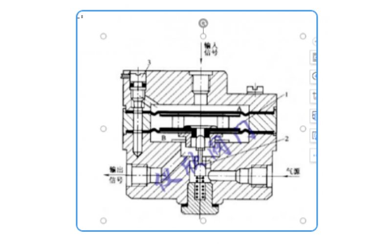
详解气动继动器知识分享
详解气动继动器知识分享
2023-07-03
玩球通(中国)
上一页
1
下一页
转至第
首页
产品
新闻
联系
乐投官网
|
乐动注册
|
开云网页版登录入口
|
天行体育网址_天行(中国)
|
九州网站登陆(中国)网页版
|
开元网页版_开元kaiyuan(中国)
|
乐动登陆入口
|
xk官方网站_XK(中国)
|
球速体育·(中国)官方网站QIUSU SPORTS
|