这时候云母液位计就是“主力选手”。它能耐压32MPa、耐温400℃,双色显示无盲区,维护周期长达2年,就是价格偏高,DN200规格约1.2万元;要是预算充足,中压锅炉也能选石英管液位计,耐温能到350℃,但耐压上限只有16MPa,不如云母液位计全能。至于超高压锅炉(压力>32MPa),就得选特殊石英玻璃云母液位计,加厚云母片搭配金属密封,专门应对极端工况,就是安装空间要求高,得预留800mm的观察窗,不然装不下。
2025-11-24 玩球通(中国)
漏脉冲的核心定义与危害 漏脉冲是指涡街流量计在测量过程中,传感器未能完整检测流体流经旋涡发生体时产生的涡列信号,部分涡流被“遗漏”未转化为电脉冲输出,直接导致流量测量结果偏低。
2025-11-18 玩球通(中国)
核心步骤:4 步搞定调试,每步都有 “避坑点”第一步:零位校准 —— 让浮筒 “认准” 空罐状态 零位是调试的基础,必须让浮筒内无残留介质,具体操作如下: 物理排空(关键!):关闭浮筒上下手阀,打开底部排空阀;等待排空口无介质流出(可用容器接取,确认无液体 / 蒸汽后),关闭排空阀。
2025-11-12 玩球通(中国)
故障现象:线性推力器的铜螺母内螺纹被阀杆丝杠的外螺纹完全剪切、磨损殆尽,失去咬合力。阀门在高压给水推力下被瞬间顶开,给水流量瞬间飙升,险些导致锅炉非计划停机。
2025-10-23 玩球通(中国)
由于水和汽的导电性能差别极大,以发电厂锅炉汽包为例,一般水阻在几十KΩ,汽阻在1MΩ以上,测量筒的作用就是将水位的高低通过电接点阻值的变化,转换为电信号送至二次仪表进行运算和逻辑判断,最后以发光二极管和数码管准确显示水位值。
2025-08-20 玩球通(中国)
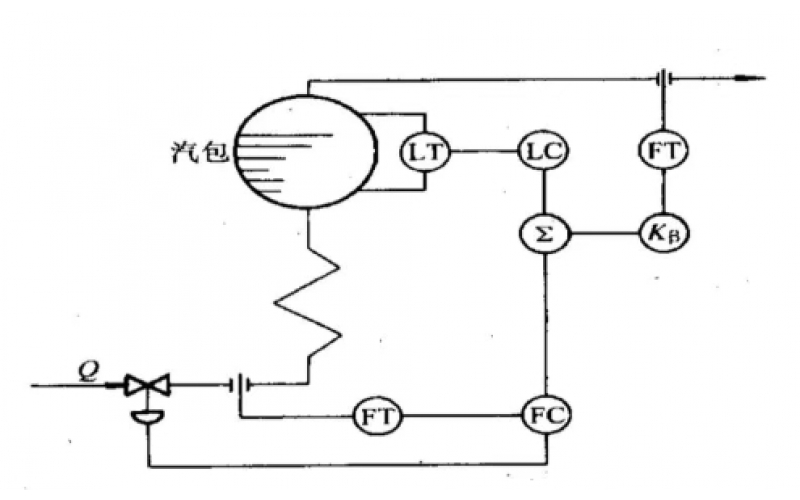
主被控变量:汽包液位,由液位变送器(LT)测量,经导压管将汽包内液位信号引出,送至主调节器(LC)。 副被控变量:给水流量,由流量变送器(FT2)测量,安装在给水管道的孔板处,通过导压管将差压信号转换为电信号,送至副调节器(FC)。
2025-08-08 玩球通(中国)
膜盒压力表和隔膜压力表,虽然只有一字之差,但是两者在结构、工作原理、适用介质和场合等方面存在显著差异,是两种不同类型的压力测量仪表。
2025-08-04 玩球通(中国)