微机消谐装置消谐原理知识分享
2023-05-09 09:49:14
玩球通(中国)
微机消谐装置消谐原理知识分享
二次消谐器依据电磁式电压互感器开口三角回路接入阻尼电阻的方式分为微机消谐装置(自动接入阻尼电阻)和固定接入的消谐器件(白炽灯)。
微机消谐装置是通过监测电磁式电压互感器开口三角回路电压或一次绕组零序饱和电流判断是否发生铁磁谐振,如发生铁磁谐振则在电磁式电压互感器开口三角回路接入阻尼电阻,接入时间约为20ms~200ms之间,不宜大于200ms。消除铁磁谐振后,断开阻尼电阻,阻尼电阻的大小一般为0Ω~10Ω。

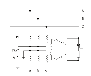
(a)检测零序电流型

(b)检测零序电压型
PT——电磁式电压互感器;R——阻尼电阻;K——阻尼电阻投切开关;TA——电流互感器:Uo—零序电压;I0——零序电流。
图B.1 微机消谐装置原理
检测零序电流判别型微机消谐装置(检测电磁式电压互感器饱和型微机消谐装置)见图B.1(a),通过连接在电磁式电压互感器一次绕组尾端与地之间的电流互感器TA检测引起电磁式电压互感器铁磁谐振的饱和脉冲电流I0,包括脉冲幅值、脉冲宽度等饱和电流特征参量,判断是否发生铁磁谐振,发生铁磁谐振则控制投切开关K接入阻尼电阻R。
检测零序电压判别型微机消谐装置见图B.1(b),通过监测电磁式电压互感器开口三角回路零序电压Uo,包括频率和幅值等开口三角电压U0的特征参量,频率低于50Hz为分频谐振,频率高于50Hz为高频谐振,发生铁磁谐振则控制投切开关K接入阻尼电阻R。因工频谐振的频率近视等于系统频率,检测零序电压判别型微机消谐装置对于工频谐振存在不能识别的问题。
TAG:
微机消谐装置