DSQN-16系列电磁流量计必要的一些功能
2022-07-14 玩球通(中国)
KW20系列插板门到位信号不发故障判断处理
2022-07-13 玩球通(中国)
4B高加液位异常现象分析
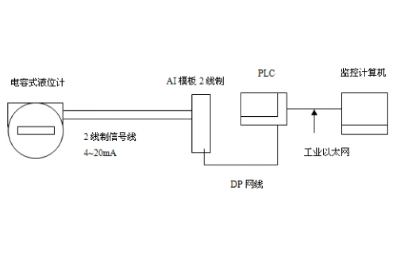
GF5-J5系列电容液位计的应用及维护分享
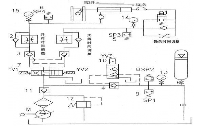
#5机B循泵液控蝶阀关阀故障分析知识分享
2022-07-12 玩球通(中国)
KWBPQ系列变频器是否能省电,能省多少电呢?
2022-07-12 玩球通(中国)电气
DSRT-8系列涡街流量计无显示故障维修处理分享
2022-07-12 玩球通(中国)自控
HMR-KB系列给煤机皮带秤校验分享
2022-07-11 玩球通(中国)